某接待室工程施工图及设计说明如下图所示:



某接待室工程施工图
接待室工程施工图设计说明
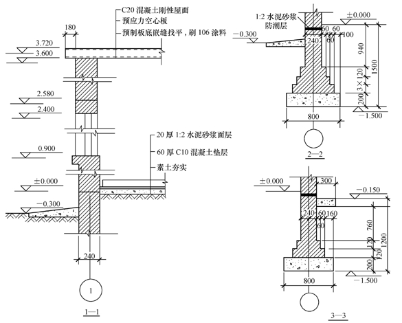
1、结构类型及标高
本工程为砖混结构工程。室内地坪标高±0.000m,室外地坪高-0.300m.
2、基础
M5水泥砂浆砌砖基础,C10混凝土基础垫层200mm厚,位于-0.06m处做20mm厚1:2水泥砂浆防潮层(加6%的防水粉)。
3、墙、柱
M5混合砂浆砌砖墙、砖柱。
4、地面
基层素土回填夯实,80mm厚C10混凝土地面垫层,铺400mm×400mm浅色地砖,20mm厚1:2水泥砂浆粘结层。20mm厚1:2水泥砂浆贴瓷砖踢脚线,高150mm.
5、屋面
预制空心屋面板上铺30mm厚1:3水泥砂浆找平层,40mm厚C20混凝土刚屋面,20mm厚1:2水泥砂浆防水层(加6%的防水粉)。
6、台阶、散水
C10混凝土基层,15mm厚1:2水泥白石子浆水磨石台阶。60mm厚C10混凝土散水,沥青砂浆塞伸缩缝。
7、墙面、顶棚
内墙:18mm厚1:0.5:2.5混合砂浆底灰,8mm厚1:0.3:3混合砂浆面灰,满刮腻子2遍,刷乳胶漆2遍。
天棚:12mm厚1:0.5:2.5混合砂浆底灰,5mm厚1:0.3:3混合砂浆面灰,满刮腻子2遍,刷乳胶漆2遍。
外墙面、梁柱面水刷石:15mm厚1:2.5水泥砂浆底灰,10mm厚1:2水泥白石子浆面灰。
8、门、窗
实木装饰门:M-1、M-2洞口尺寸均为900mm×2400mm.
塑钢推拉窗:C-1洞口尺寸1500mm×1500mm,C-2洞口尺寸1100mm×1500mm.
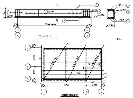
9、现浇构件
圈梁:C20混凝土,钢筋HPB235:¢12,116.80m;HPB235: ¢6.5,122.64m.
矩形梁:C20混凝土,钢筋HR335: ¢14,18.41kg;HPB235: ¢12,9.02kg;HPB235: ¢6.5,8.70kg.
问题:
根据《建设工程工程量清单计价规范》列出以下工程量清单项目的项目编码、计量单位和工程数量(并列出计算式)。
1、平整场地。
2、人工挖基础土方(墙基)。
3、人工挖基础土方(柱基)。
4、M5水泥砂浆砌砖基础。
5、人工基础回填土。
6、人工室内回填土。
7、M5混合砂浆砌砖墙。
8、M5混合砂浆砌砖柱。
9、现浇C20混凝土矩形梁。
10、现浇C20混凝土圈梁。
11、C10混凝土散水。